15002162226
021-69111005
微信

SKF638-RZ
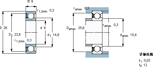
  • 型号:638-RZ
  • 旧型号:- -
  • 厚度(B):9.0000
  • 品牌:瑞典SKF轴承
  • 内径(d):8.0000
  • 额定转速:--
  • 系列:
  • 外径(D):28.0000
  • 极限转速:--
  • 静负荷:--
  • 动负荷:--
  • 备注:--

产品咨询

15002162226

产品详情


Copyright © 2023上海启欧轴承有限公司
在线客服
服务热线

电话:021-69111005

手机:15002162226

邮箱

qiouzc@foxmail.com

上班时间

周一至周六

微信客服